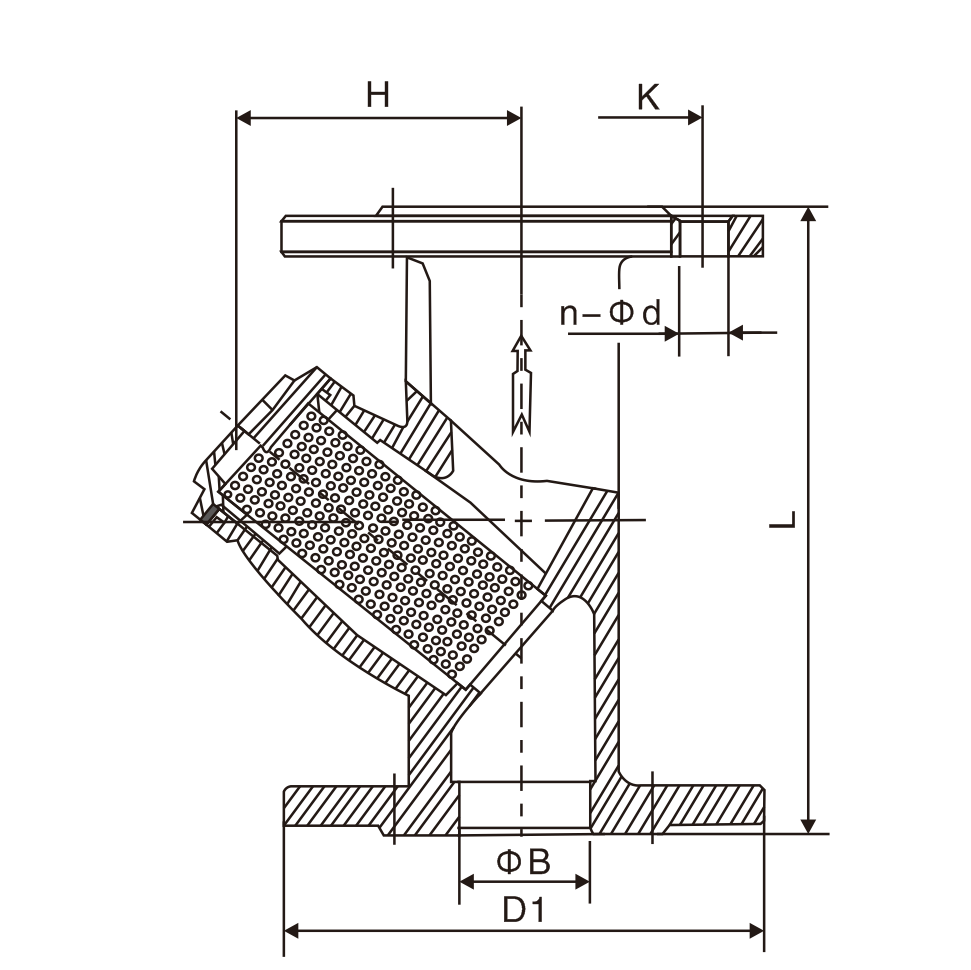
黃銅法蘭(lán)過濾器
産(chan)品型号:LV41-16T
公(gōng)稱壓力:1.6MPa
工(gong)作介質:水(shui)
工作溫度(dù):-20℃≤t≤120℃
主要外形(xing)尺寸
|
L |
H |
D1 |
n-Φd |
|||
|
80 |
160 |
200 |
||||
|
100 |
4 |
314 |
220 |
180 |
220 |
8-18 |
|
5 |
398 |
235 |
210 |
245 |
||
|
150 |
6 |
470 |
250 |
280 |
||
|
200 |
8 |
543 |
330 |
295 |
338 |
11-30 |
蘇(sū)公網安備(bèi) 32010202011315号